Our offer
  
  
                    Product description
                    Technical data
                    Video
                
                products
| code | description | material | finishing | 
| 312026600 | G40 Ot M8 | Nickel-plated brass | F-F | 
| 312104010 | G40 Fe M8 | Zinc-plated steel | F-F | 
| 312104020 | G40 Ot M6 | Nickel-plated brass | F-F | 
| 312104030 | G40 Fe M6 | Zinc-plated steel | F-F | 
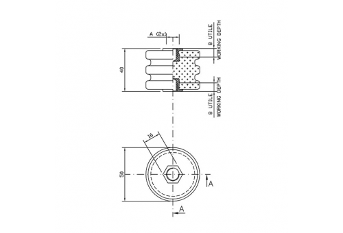
| height [mm] | diameter [mm] | creepage distance [mm] | creepage distance [mm] | creepage distance [mm] | 
| 40 | 50 | 77 | 23 | 1,60 | 
Contact form
 
				 
			  
			  
			  
			  
             
             
                        
                       